반응형
참고하기 위해 포스팅해 둡니다.
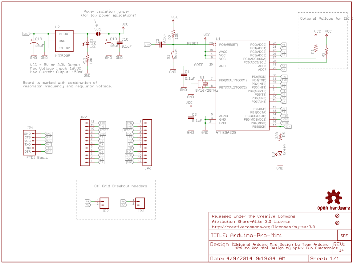
아두이노 프로 미니 회로도 입니다.
Arduino-Pro-Mini-schematic.pdf
0.06MB
아두이노 프로미니 이글캐드 디자인 파일입니다.
arduino-pro-mini-reference-design.zip
0.10MB
핀아웃 다이어그램입니다.

ProMini8MHzv2.pdf
0.53MB
ProMini16MHzv2.pdf
0.31MB

참고하세요 ~
(저부터... ^^;)
반응형